下载中心
公司微信
ENGLISTH
网站首页
关于泫氏
泫氏集团
历史传承
发展历程
泫氏愿景
资质荣誉
工程业绩
24大业绩地图
业绩列表
星空网页版登录入口
W型系列
W1型系列
A型系列
B型系列
同层排水系列
雨水斗系列
地漏系列
卡箍系列
胶圈系列
铸管专家
星空(中国)
企业新闻
行业动态
视频中心
媒体聚焦
采购平台
营销服务
服务理念
服务介绍
金融服务
生产管理
远程诊断
配件中心
维修保养
资料下载
人力资源
人才政策
招聘信息
简历投递
联系我们
关于泫氏
泫氏集团
历史传承
发展历程
泫氏愿景
资质荣誉
星空网页版登录入口
泫氏铸业成立于1994年元月7日,22年来,泫氏人一直致力于铸铁排水事业的研究与发展。1999年起,连续十七年全国销量领先;《铸铁排水管国家标准》的制定者,全国建筑排水管道系统技术中心;总资产6亿,年产量12万吨,员工1500余人,是中国最大的铸铁排水管生产基地...
工程业绩
24大业绩地图
业绩列表
全国80%的地标建筑采用“玄”字铸铁排水管
北京奥运会指定供应商,上海中心大厦、中国尊、深圳平安金融中心等全国80%的地标建筑采用“玄”字铸铁排水管;产品出口美国、日本、欧洲、韩国、香港、台湾等40多个国家和地区...
星空网页版登录入口
W型系列
W1型系列
A型系列
B型系列
同层排水系列
雨水斗系列
地漏系列
卡箍系列
胶圈系列
只要是铸铁排水产品,泫氏应有尽有
四大产品系列:W型、W1型、A型、B型 国际认证生产标准:国际标准ISO6594、中国标准GB/T12772、欧盟标准EN877、美国标准ASTM-A888、韩国标准KSD4307、日本标准JIS5525...
铸管专家
铸管工艺特点
管件工艺特点
质量控制
铸铁排水管优势
精管细做、用心做好每一支
拥有46项铸管生产专利技术,生产2000多种规格品种的排水管件。截止2015年底泫氏共生产约3100万支铸铁排水管,从未发生过漏水事故…
排水专家
泫氏高层试验塔
全国建筑排水管道系统技术中心
排水解决方案
泫氏人立志成为一名合格的“排水专家”
全国建筑排水管道系统技术中心落户在山西泫氏实业集团,泫氏不止步于生产优质的铸管产品,我们还能为客户提供排水系统的整体解决方案...
星空(中国)
星空(中国)
价值营销
公司动态
行业资讯
快速便捷的获取泫氏最新动态
快速便捷的获取泫氏铸业营销动态,随时关注泫氏最新产品下线、最新技术应用,共享最新行业资讯…
采购平台
人才招聘
人才政策
招聘信息
泫氏人
欢迎您加入泫氏
立足公司长远发展战略,通过完善的后备干部培养机制,挖掘员工潜力,为员工提供培训和职业发展机会;职业发展路径顺畅,人职匹配,人尽其才…
联系我们
星空(中国)
价值营销
公司动态
行业资讯
公司动态
首页
>
新闻资讯
>
公司动态
1970-01-01
公司动态
浏览量:9060
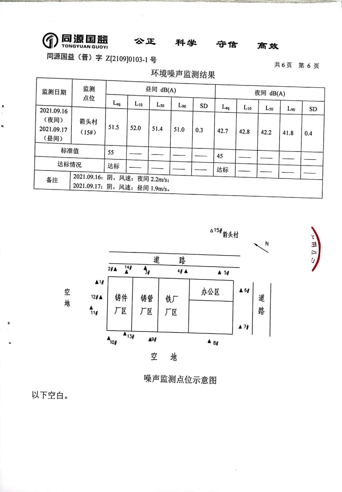
2021年3季度监测报告
上一篇:
山西泫氏2022年3季度监测报告
下一篇:
2020年3、4季度监测报告
开云官方在线入口-开云(中国)
|
leyu·乐鱼(中国)体育官方网站
|
星空官方网站-星空xingkong(中国)
|
欧亿体育·(中国)官方网站
|
欧亿体育_欧亿体育(中国)
|
leyu·乐鱼(中国)体育官方网站
|
星空官方端网站登录入口-星空(中国)
|
KYTY.COM开云
|
乐鱼网页版-乐鱼(中国)官方
|